- Технические характеристики и другая информация предоставляются для справки.
- Чертежи и изображения представлены для ознакомления
Подшипниковый узел шариковый радиальный UCPK 319

Подшипниковый узел шариковый радиальный UCPK319 представляют собой конструкцию, в которую входит подшипник и подшипниковый корпус (изготавливается из стали, чугуна или других специализированных материалов), состоящий из пары и более составных деталей, привинченных к посадочной поверхности при помощи болтов. Подшипниковая часть включает в себя одну и более составляющие, закрепленные специальной втулкой или установленные прямо на ось. Для подачи смазки в обслуживаемых моделях корпус оборудован отверстиями и смазочной системой. От сора, пыли, грязи и химикатов устройство защищено уплотнителями. Чаще всего встречаются фланцевые, разъемные, цельные и натяжные системы.
В чем особенности Подшипниковый узел шариковый радиальный UCPK319?
- Как правило, представляет собой единую систему, уже готовую к установке, быстро монтируемую и демонтируемую.
- Изготавливается такими известными во всём мире производителями, как LPZ, FAG, KOYO, NSK, SKF, SNR и другие.
- Отвечает уровню качества, предъявляемому стандартами ИСО, ГОСТ, американскими, немецкими и азиатскими производственными нормативами.
Срочно нужны Подшипниковый узел шариковый радиальный UCPK319 ГОСТ или (аналог ISO)? Мы готовы предложить вам лучшую цену и достойное качество при покупке онлайн!
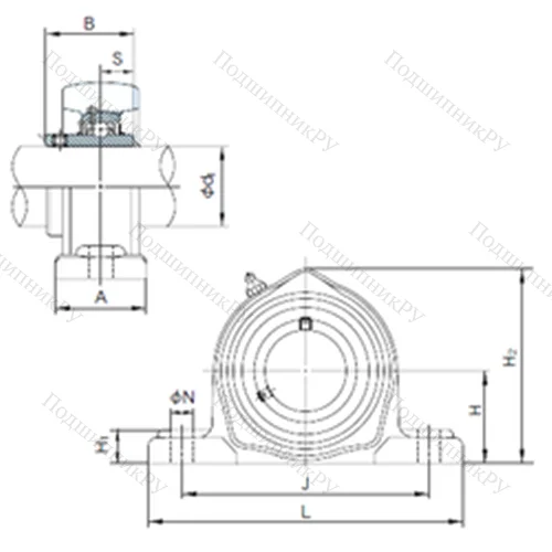
Технические характеристики
Обозначение : UCPK319
Производитель : NACHI
Диаметр внутренний, мм : 95
Высота, мм : 103
Технические данные из каталога производителя :
Внутренний диаметр (d) - 95 мм.
Размер (A) - 115 мм.
Размер (B) - 103 мм.
Размер (H) - 125 мм.
Размер (H1) - 50 мм.
Размер (H2) - 257 мм.
Размер (J) - 360 мм.
Размер (L) - 455
Размер (N) - 35 мм.
Размер (S) - 41 мм.
Болт (G) - M30
Масса - 33.1 Кг
Количество дорожек качения - 1
Уплотнение - Есть
|
Производитель
|
NACHI |
|
Ширина B
|
103 |
|
Внутренний диаметр d
|
95 |
|
Размер
|
95x103 |
|
Вес, кг
|
33.1 |
|
Модель
|
UCPK319-NACHI |
|
SKU
|
UCPK319-NACHI |
Похожие по размеру
Оформить заказ на нашем сайте легко. Просто добавьте выбранные товары в корзину, а затем перейдите на страницу Корзина, проверьте правильность заказанных позиций и нажмите кнопку «Оформить заказ» или «Быстрый заказ».
Функция «Быстрый заказ» позволяет покупателю не проходить всю процедуру оформления заказа самостоятельно. Вы заполняете форму, и через короткое время вам перезвонит менеджер магазина. Он уточнит все условия заказа, ответит на вопросы, касающиеся качества товара, его особенностей. А также подскажет о вариантах оплаты и доставки.
По результатам звонка, пользователь либо, получив уточнения, самостоятельно оформляет заказ, укомплектовав его необходимыми позициями, либо соглашается на оформление в том виде, в котором есть сейчас. Получает подтверждение на почту или на мобильный телефон и ждёт доставки.
Если вы уверены в выборе, то можете самостоятельно оформить заказ, заполнив по этапам всю форму.
Выберите из списка название вашего региона и населённого пункта. Если вы не нашли свой населённый пункт в списке, выберите значение «Другое местоположение» и впишите название своего населённого пункта в графу «Город». Введите правильный индекс.
В зависимости от места жительства вам предложат варианты доставки. Выберите любой удобный способ.
Оплата
Выберите оптимальный способ оплаты.
Введите данные о себе: ФИО, адрес доставки, номер телефона. В поле «Комментарии к заказу» введите сведения, которые могут пригодиться курьеру, например: подъезды в доме считаются справа налево.
Проверьте правильность ввода информации: позиции заказа, выбор местоположения, данные о покупателе. Нажмите кнопку «Оформить заказ».
Наш сервис запоминает данные о пользователе, информацию о заказе и в следующий раз предложит вам повторить к вводу данные предыдущего заказа. Если условия вам не подходят, выбирайте другие варианты.
