- Технические характеристики и другая информация предоставляются для справки.
- Чертежи и изображения представлены для ознакомления
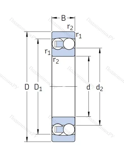
Двухрядный шариковый подшипник 2305 M C 3/R 851
Двухрядный шариковый подшипник 2305 M C3/R851 производства FAG, KOYO, NSK, SKF, SNR состоит из пары колец, тела качения и сепаратора, выполненных из стойких к коррозиям материалов. Является самоустанавливающимся, то есть устраняющим несоосность при установке, что упрощает монтаж.
Какими характеристиками обладает Двухрядный шариковый подшипник 2305 M C3/R851?
- Подходит для эксплуатации в условиях повышенных нагрузок с серьезной частотой вращения по оси.
- Присутствие дорожек качения на внутренней и наружной шине дает возможность работы с комбинированными векторами приложения.
- Узел, оборудованный конической формы отверстием, обладает конусностью 1:12. Может устанавливаться на цилиндрический вал.
- Наличие двух рядов шариков позволяет повысить скорости движения и несущую нагрузку в сравнении с аналогичными однорядными моделями.
- Как правило, идет в комплекте с уплотнениями или специальными шайбами для защиты.
- Внутреннее пространство заполнено литиевой пластичной смазкой, препятствующей коррозиям. Ее хватает на весь срок эксплуатации, поэтому модель не нуждается в обслуживании.
- Рабочий температурный интервал составляет от -30С до +120С.
Нужен Двухрядный шариковый подшипник 2305 M C3/R851 ГОСТ (аналог ISO)? Подходящий вариант вы сможете без труда приобрести в нашем магазине!
| Бренд | SKF |
| Внутренний диаметр d | 25 мм |
| Внешний диаметр D | 62 мм |
| Ширина B(H) | 24 мм |
|
Производитель
|
SKF |
|
Ширина B
|
24 |
|
Внешний диаметр D
|
62 |
|
Внутренний диаметр d
|
25 |
|
Размер
|
25x62x24 |
|
Модель
|
2305 M C3/R851 |
Похожие по размеру
Оформить заказ на нашем сайте легко. Просто добавьте выбранные товары в корзину, а затем перейдите на страницу Корзина, проверьте правильность заказанных позиций и нажмите кнопку «Оформить заказ» или «Быстрый заказ».
Функция «Быстрый заказ» позволяет покупателю не проходить всю процедуру оформления заказа самостоятельно. Вы заполняете форму, и через короткое время вам перезвонит менеджер магазина. Он уточнит все условия заказа, ответит на вопросы, касающиеся качества товара, его особенностей. А также подскажет о вариантах оплаты и доставки.
По результатам звонка, пользователь либо, получив уточнения, самостоятельно оформляет заказ, укомплектовав его необходимыми позициями, либо соглашается на оформление в том виде, в котором есть сейчас. Получает подтверждение на почту или на мобильный телефон и ждёт доставки.
Если вы уверены в выборе, то можете самостоятельно оформить заказ, заполнив по этапам всю форму.
Выберите из списка название вашего региона и населённого пункта. Если вы не нашли свой населённый пункт в списке, выберите значение «Другое местоположение» и впишите название своего населённого пункта в графу «Город». Введите правильный индекс.
В зависимости от места жительства вам предложат варианты доставки. Выберите любой удобный способ.
Оплата
Выберите оптимальный способ оплаты.
Введите данные о себе: ФИО, адрес доставки, номер телефона. В поле «Комментарии к заказу» введите сведения, которые могут пригодиться курьеру, например: подъезды в доме считаются справа налево.
Проверьте правильность ввода информации: позиции заказа, выбор местоположения, данные о покупателе. Нажмите кнопку «Оформить заказ».
Наш сервис запоминает данные о пользователе, информацию о заказе и в следующий раз предложит вам повторить к вводу данные предыдущего заказа. Если условия вам не подходят, выбирайте другие варианты.



